

全國(guo)免費客服電(dian)話(hua) 135-2433-6395 郵箱:info@yupitang.com
手機:135-2433-6395
電話:+86-21-61180596
地址:上(shang)海閔行區(qu)萬芳路333號1號樓7層(ceng)A座(zuo)
發布時間:2025-12-12 13:54:11 人氣:
電(dian)機(ji)振(zhen)(zhen)(zhen)動(dong)問題會(hui)影響設(she)備(bei)性能和使用壽命。由于所有(you)步進(jin)電(dian)機(ji)都(dou)存在固(gu)(gu)有(you)共(gong)振(zhen)(zhen)(zhen)頻率(lv),因此需在設(she)備(bei)設(she)計初(chu)期采取針對(dui)性措(cuo)施來消除振(zhen)(zhen)(zhen)動(dong)隱(yin)患。電(dian)機(ji)振(zhen)(zhen)(zhen)動(dong)大的(de)原因:步進(jin)電(dian)機(ji)的(de)機(ji)械結構特性會(hui)導致轉(zhuan)子(zi)在運動(dong)過程中產生微量位(wei)移偏差。當轉(zhuan)子(zi)在慣性作(zuo)用下越(yue)過目標位(wei)置時,會(hui)引發周(zhou)期性振(zhen)(zhen)(zhen)蕩(dang)現象,這種振(zhen)(zhen)(zhen)蕩(dang)形成的(de)特定(ding)頻率(lv)若與電(dian)機(ji)固(gu)(gu)有(you)頻率(lv)吻(wen)合,就會(hui)產生共(gong)振(zhen)(zhen)(zhen)并伴(ban)隨噪音(yin)。當共(gong)振(zhen)(zhen)(zhen)能量超(chao)過定(ding)子(zi)與轉(zhuan)子(zi)間磁場的(de)保持力時,將導致電(dian)機(ji)失步現象。以下便詳細(xi)介紹(shao)電(dian)機(ji)振(zhen)(zhen)(zhen)動(dong)大的(de)處理方法(fa)。
電氣減振法
該節主(zhu)要介紹如何預防(fang)步進電機共振現象,需(xu)特(te)別說明,從(cong)電機物理特(te)性、電氣參(can)數(shu)到運行參(can)數(shu)均可(ke)進行優化調節,建(jian)議根據實(shi)際工況謹(jin)慎評(ping)估每種(zhong)方案的適(shi)用性,對(dui)于特(te)殊應用場景,建(jian)議咨詢專業(ye)技術人員。
1、調(diao)整運行頻率(lv)(lv):當共(gong)(gong)振(zhen)(zhen)現象出現在特定(ding)轉速區間時(shi),通過(guo)調(diao)整換(huan)向頻率(lv)(lv)避開固(gu)有共(gong)(gong)振(zhen)(zhen)頻率(lv)(lv)是最直接的解決方(fang)案,此方(fang)法雖受限于(yu)部分應用(yong)場景,但在可(ke)行條件(jian)下不僅能消(xiao)除(chu)共(gong)(gong)振(zhen)(zhen),還(huan)可(ke)提升系(xi)統運行效率(lv)(lv)。
2、控制(zhi)微(wei)步(bu)細分:微(wei)步(bu)技術通過(guo)(guo)提高步(bu)距角細分度來實(shi)現(xian)振動(dong)抑制(zhi)。傳統(tong)整步(bu)運(yun)行時(shi),線(xian)圈(quan)通斷引起的(de)磁通突變(bian)易造成轉子過(guo)(guo)沖(chong),微(wei)步(bu)控制(zhi)通過(guo)(guo)梯度式調節(jie)線(xian)圈(quan)激勵能量,使定子磁場實(shi)現(xian)連(lian)續漸變(bian),有效降低磁通變(bian)化率。該技術既可減少振動(dong)噪聲,又能提升運(yun)動(dong)分辨率。
3、優化(hua)電(dian)(dian)(dian)流優化(hua):在醫療設備、機器人關節(jie)等低速應用場景中,適當降低驅動(dong)電(dian)(dian)(dian)流可改善運行(xing)平穩(wen)性。電(dian)(dian)(dian)流量級減小雖會降低輸出(chu)扭(niu)矩(ju)(ju)及扭(niu)矩(ju)(ju)剛度系數(dτ/dθ),但能(neng)(neng)有效控制轉(zhuan)子動(dong)能(neng)(neng),實施時需確保保留足夠扭(niu)矩(ju)(ju)裕量,避(bi)免引發次(ci)生控制問題。
4、電(dian)感(gan)補償(chang)技術:電(dian)機運行過(guo)程中,共(gong)振(zhen)產生的(de)交流(liu)感(gan)應電(dian)流(liu)會與驅動直流(liu)電(dian)流(liu)形成疊(die)加干擾(rao),通過(guo)增(zeng)加繞組電(dian)感(gan)參數,可改變系統諧振(zhen)特(te)性,實現諧振(zhen)頻率偏移(yi)或振(zhen)幅抑制(zhi)。
5、電(dian)流(liu)(liu)衰減(jian)(jian)優化:快(kuai)速電(dian)流(liu)(liu)衰減(jian)(jian)機(ji)制能有效改善振(zhen)動(dong)特性。在換(huan)向過程中(zhong),電(dian)流(liu)(liu)方(fang)向切換(huan)時的瞬時衰減(jian)(jian)可降(jiang)低殘余電(dian)流(liu)(liu)干擾,避免雙(shuang)路電(dian)流(liu)(liu)信號疊加引發的扭矩(ju)脈動(dong)。對比實驗表(biao)明,采用(yong)快(kuai)速衰減(jian)(jian)模式可顯著降(jiang)低運(yun)行振(zhen)動(dong)(詳見(jian)附圖1)。

圖1.來自(zi)電機驅動器(qi)的電流(liu)信號
實現兩相R繞組
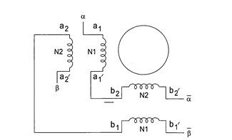
在(zai)混合式步進(jin)電機中(zhong),定子采用兩相(xiang)(xiang)繞(rao)組結構,其(qi)線圈空間分布相(xiang)(xiang)差90°角(jiao)度。傳統步進(jin)繞(rao)組系(xi)統的相(xiang)(xiang)位切換按45°步距角(jiao)遞增,具體序(xu)列為(wei):0°、45°、90°、135°、180°、225°、270°、315°。在(zai)相(xiang)(xiang)位差45°工(gong)況下,A/B兩相(xiang)(xiang)繞(rao)組同(tong)時通電;當相(xiang)(xiang)位差調整為(wei)90°時,僅(jin)單相(xiang)(xiang)繞(rao)組處于激勵狀態。

圖(tu)2.R型繞(rao)組的相圖(tu)
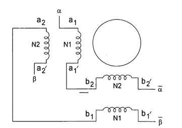
單(dan)相(xiang)(xiang)導(dao)通(tong)與雙(shuang)相(xiang)(xiang)導(dao)通(tong)模式因(yin)電(dian)流分(fen)布差異(yi)產生不(bu)同的穩定(ding)(ding)周期特(te)性(xing),其穩定(ding)(ding)時間的不(bu)一(yi)致性(xing)易誘發共(gong)振現(xian)象(xiang)。R型(xing)繞組電(dian)機(ji)采用(yong)特(te)殊極槽結構,每磁極配置兩組差異(yi)化匝數線圈。線圈組采用(yong)異(yi)向串(chuan)聯繞制(zhi)工藝(首組線圈末端與次組線圈起始端連接),通(tong)過22.5°電(dian)氣相(xiang)(xiang)位(wei)偏移設(she)計,實現(xian)振動(dong)噪聲的有效(xiao)抑制(zhi)。該(gai)繞組拓(tuo)撲創新性(xing)地(di)引入八分(fen)頻相(xiang)(xiang)位(wei)序(xu)列(22.5°、67.5°、112.5°、157.5°、202.5°、247.5°、292.5°、337.5°),消(xiao)除單(dan)相(xiang)(xiang)激(ji)勵工況。驅動(dong)系統始終保(bao)持(chi)雙(shuang)相(xiang)(xiang)繞組通(tong)電(dian)狀態,通(tong)過電(dian)流均衡分(fen)配確保(bao)各(ge)步進周期穩定(ding)(ding)時間一(yi)致性(xing),從而顯著降低共(gong)振風險(xian)。


圖3.R型繞組的繞組設置(zhi)
采用(yong)T型繞組連(lian)接(jie)是抑制共振的有(you)效(xiao)技術方案。該(gai)拓撲結構通過(guo)維持(chi)(chi)雙相持(chi)(chi)續通電的工作模(mo)式(shi),其振動抑制機理與R型繞組具有(you)等效(xiao)性(xing)——雙相激(ji)勵模(mo)式(shi)可有(you)效(xiao)降低(di)系統諧振概率。該(gai)連(lian)接(jie)方式(shi)的電氣特性(xing)表現為繞組電感值介于全串聯與全并聯配置之(zhi)間。這種折(zhe)衷設計使T型拓撲在低(di)速工況(kuang)呈現優于并聯連(lian)接(jie)的轉(zhuan)矩輸(shu)出能力,同時(shi)在高速運(yun)行階段(duan)保(bao)持(chi)(chi)較串聯模(mo)式(shi)更強的扭矩保(bao)持(chi)(chi)特性(xing)。


圖(tu)4.T型連接(jie)的繞組設置
通常而言,增加電機(ji)相位數(shu)可有效(xiao)抑制共振現象。相位數(shu)越多的電機(ji)步(bu)(bu)距角(jiao)越小,其原理與微(wei)步(bu)(bu)進(jin)驅動(dong)(dong)(dong)技術相似(si)。當(dang)相位數(shu)增加時,驅動(dong)(dong)(dong)轉(zhuan)子旋轉(zhuan)所需(xu)的激磁(ci)能量相應(ying)降低(di)(di)(di),從而有效(xiao)消(xiao)除(chu)共振問題。以兩(liang)相電機(ji)與五(wu)相電機(ji)為例:兩(liang)相電機(ji)采用8極結構(每(mei)(mei)相4極),而五(wu)相步(bu)(bu)進(jin)電機(ji)采用10極結構(每(mei)(mei)相2極)。在五(wu)相電機(ji)中,轉(zhuan)子每(mei)(mei)次僅需(xu)移動(dong)(dong)(dong)1/10齒距即可與下一相磁(ci)極對齊,這使得單圈旋轉(zhuan)可實(shi)現500個步(bu)(bu)進(jin)周(zhou)期(步(bu)(bu)距角(jiao)0.72°)。由于更(geng)高(gao)的角(jiao)分(fen)辨(bian)率(lv)降低(di)(di)(di)了單個步(bu)(bu)進(jin)所需(xu)的激磁(ci)能量,轉(zhuan)子運(yun)動(dong)(dong)(dong)過程中的過沖現象得到有效(xiao)控制。若配合微(wei)步(bu)(bu)進(jin)驅動(dong)(dong)(dong)技術,五(wu)相電機(ji)可實(shi)現更(geng)精細的步(bu)(bu)進(jin)分(fen)辨(bian)率(lv),從而顯著降低(di)(di)(di)運(yun)行振動(dong)(dong)(dong)。
機械減(jian)振方法
通過優化電機(ji)機(ji)械(xie)結(jie)構(gou)可(ke)有(you)效抑制(zhi)振動,其中在(zai)電機(ji)軸端安(an)裝(zhuang)阻尼(ni)器是常用(yong)方法(fa)。該阻尼(ni)器在(zai)吸收振動能量的(de)(de)(de)同(tong)時會(hui)增加系統(tong)轉動慣量,從而(er)形成穩定的(de)(de)(de)阻尼(ni)機(ji)制(zhi)。此外,采用(yong)法(fa)蘭安(an)裝(zhuang)座可(ke)增強結(jie)構(gou)對振動的(de)(de)(de)吸收能力。

圖5.NEMA23機(ji)械阻尼器
另一種機械減(jian)振(zhen)方(fang)(fang)法是通(tong)(tong)過調節(jie)轉(zhuan)子慣(guan)量(liang)實現振(zhen)動抑制。負載慣(guan)量(liang)的(de)調節(jie)作用(yong)會改變系統共振(zhen)頻(pin)(pin)率特(te)性,工程師可通(tong)(tong)過以(yi)下方(fang)(fang)式優化轉(zhuan)子慣(guan)量(liang):選用(yong)不同材料、調整幾何尺寸(cun)(如增(zeng)加轉(zhuan)子長(chang)度(du))或采用(yong)特(te)定疊(die)層結構(參見圖4)。這些調整可改變系統共振(zhen)頻(pin)(pin)率,從而有效降低振(zhen)動幅度(du)。

圖6.低慣性轉子設計
通過調(diao)節(jie)轉(zhuan)子與定子齒(chi)槽間的氣隙尺寸,可(ke)有效控制轉(zhuan)矩剛(gang)度(du)參數。如技術規范所述,這(zhe)種(zhong)調(diao)整將改變電(dian)機(ji)(ji)的輸出轉(zhuan)矩特性,使(shi)系統(tong)工作(zuo)點偏離共振區域(yu),從(cong)而規避(bi)振動(dong)問題。當電(dian)機(ji)(ji)驅動(dong)負載運行(xing)時,負載慣(guan)量將顯著提升系統(tong)整體轉(zhuan)動(dong)慣(guan)量(作(zuo)用(yong)機(ji)(ji)理(li)類似機(ji)(ji)械阻尼器),此(ci)時電(dian)機(ji)(ji)振動(dong)幅(fu)值會顯著降低。
了解步進電(dian)機的工作原理對于決(jue)定適合您的應用的產(chan)品大(da)有好(hao)處。
驅動器維修
產品知識